for those who believe that armed with a good guitar and a great amp they can conquer the world...

back

index

next

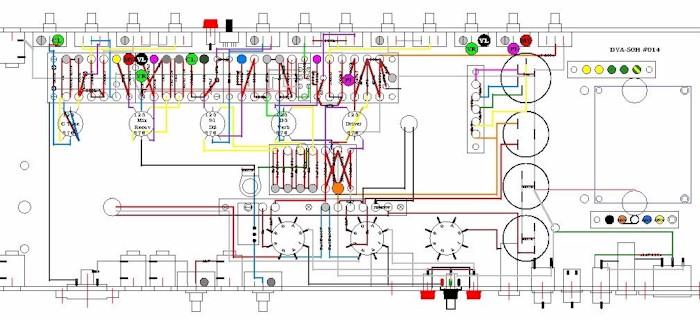
First we gather up the parts, and create a layout drawing.

014_layout_md.jpg (74402 bytes)

For #014 I wanted to use EL34's and a GZ-34 rectifier, so I chose a Mercury Magnetics Plexi Transformer set. Once everything was drawn to scale I punched the top of the chassis.

I was ready to go as soon as the paint dried on the laser etched plexi panels!

back

index next

Copyright © 2007, deering valve amplification & SolarPress
Web Design by: Master of the Cosmos Publishing DBA SolarPress.net
this page updated: 26 Mar 2007 07:11

deeringvalveamps.com is home of Tom Deering deeringvalveamplification.com